液氮罐补液控制系统由液氮补液罐、低温智能化控制系统、阀门组件控制电磁阀和真空比例阀箱、PLC编程器、智能化控制人机交互控制终端、不间断电源、温度及压力传感器监控探头系统及反馈电路系统组成,功能可根据客户需求,定制相关罐体自动增压-出液-排气的压力及流量控制程序。
液氮罐补液控制系统可以根据客户需求扩展相关功能,用于客户应用不同的用途场所。如使用自增压液氮罐的智能化液氮冷却系统。储存型液氮罐的液氮罐补液系统和液氮罐监控系统,液氮存储监控,和氮气输出等用途,还可以作为冰箱后备液氮补液系统。该系统也主要应用于高压胶管液氮冷冻系统解决方案
控制系统的功能都可以在系统内部整合搭建,低温-196度阀体部件的耐老化程度高,可以常年使用,对液氮罐体的监控功能可以达到精准并上传网络实时报警的功能。为您的液氮罐或气瓶产品提供安全保证。保证液氮补液冲装的及时性能够得到保证。给冰箱,低温处理设备,液氮低温箱,速冻箱等产品提供超低温液氮保证。单一液氮罐,或者独立气瓶,多个气瓶都可以达到智能监控的目的。
产品功能:
液氮罐补液控制系统技术优势:
一 PLC大屏幕控制系统 (可定制远程操控)






二 西门子S7-200 SMART可编程控制器
S7-200 SMART SR/ST CPU ??楸咎寮?span lang="EN-US"> 1 个以太网接口和 1 个 RS485 接口,通过扩展 CM01 信号板或者 EM DP01 模块,其通信端口数量最多可增至 4 个,可满足小型自动化设备与触摸屏、变频器及其它第三方设备进行通信的需求,全新的 S7-200 SMART CPU ??椋扇轿宦悴煌幸?、不同客户、不同设备的各种需求。
SR/ST 标准型CPU 可扩展 6 个扩展模块和 1 个信号板,适用于 I/O 点数较多,逻辑控制较为复杂的应用。
• SR/ST CPU 模块具备 20I/O、30I/O、40I/O、 60I/O 四种配置
• 集成高速处理器芯片,位指令执行时间可达 0.15μs
• 通过信号板可扩展通信端口、模拟量通道、数字量通道和时钟保持功能
• SR/ST CPU ??楸咎寮梢蕴涌诤?span lang="EN-US"> RS485 串口,支持以太网接口下载程序
• 支持 Modbus RTU、USS、PROFIBUS-DP、自由口通信等
• 本体最多集成 3 路 100KHz 高速脉冲输出
• 支持通用 Micro SD 卡下载程序、更新 PLC 固件和恢复出厂设置
• 新版编程软件,融入多项人性化设计,项目开发更加高效
• PM207为整个系统提供高品质的直流供电
机柜内部实拍图
通用7寸触摸屏操控界面
三 真空比例调节阀
真空比例调节阀是由多弹簧执行机构和调节阀组件组成,公称通径由20至300mm,公称压力1.6MPa,使用温度范围由-200℃~50℃。它以压缩空气为动作力,接受标准信号4~20mADC,将此转为与输入信号相对应的上下位移,改变阀门的开度位移,从而达到对工艺管路流体介质如压力、流量、温度、液位等参数的自动调节控制。
产品特点
1、采用平衡型阀芯,不平衡力小,允许压差大,操作稳定。
2、阀芯导向面大,可改善由涡流和冲击引起的振荡。
3、比普通的单、双座调节阀噪声降低10dB左右。
4、采用自对中无螺纹卡入式阀座结构和??榛杓?span lang="EN-US">, 阀门拆装方便。
5、调节切断型可采用软密封结构阀芯,达VI级泄漏标准(零泄漏)。
6、波纹管密封型调节阀对移动的阀杆形成完全的密封,堵绝流体外漏。
|
公称通径DN(mm) |
20 |
25 |
32 |
40 |
50 |
65 |
80 |
100 |
125 |
150 |
200 |
|
|
额定流量系数KV |
直线 |
7.6 |
12.1 |
19.4 |
30.3 |
48.3 |
75.9 |
121 |
193.6 |
302.5 |
484 |
759 |
|
等百分比 |
6.9 |
11 |
17.6 |
27.5 |
44 |
69.3 |
110 |
176 |
275 |
440 |
693 |
|
|
执行机构型号 |
正作用 |
ZHA-22 |
ZHA-23 |
ZHA-34 |
ZHA-45 |
|||||||
|
反作用 |
ZHB-22 |
ZHB-23 |
ZHB-34 |
ZHB-45 |
||||||||
|
额定行程L(mm) |
16 |
25 |
40 |
60 |
||||||||
|
膜片有效面积Ae(cm2) |
280 |
400 |
600 |
1000 |
||||||||
|
公称压力PN(MPa) |
1.6 2.5 4.0 6.4 |
|||||||||||
|
流量特性 |
直线 等百分比 |
|||||||||||
|
法兰标准 |
GB/T9113 、 JB/T79 |
|||||||||||
|
阀体材质 |
碳钢WCB(阀芯、阀座不锈钢304)、不锈钢304、316、珞钼钢等其它特殊材质可定做 |
|||||||||||
|
允许泄漏量 |
0.01%×阀额定容量(硬密封)、零泄漏(软密封) |
|||||||||||
|
作用方式 |
气关式 气开式 |
|||||||||||
|
信号范围Pr(KPa) |
20-60、20-100、40-200、60-100、80-240 |
|||||||||||
|
气源压力Ps(MPa) |
0.14、0.25、0.28、0.40 |
|||||||||||
|
输入信号 |
0~10V .DC或4~20mA.DC |
|||||||||||
|
输出信号 |
4~20mA.DC(添加功能) |
|||||||||||
|
使用环境 |
环境温度-20~70 ℃ 湿度 定位器:≤ 95% |
|||||||||||
|
其它功能 |
防护等级:IP55、隔爆标志:ExdⅡBT4(ExdⅡBT6特殊定制)、手操功能:添加 |
|||||||||||
比例阀双系统设置及监控界面

集成客户设备 比例阀及PLC控制系统

四 进口超低温电磁阀
规格型号:Z10B
阀体材质:304不锈钢/黄铜
连接方式:G3/8(其他连接方式可定做)
公称尺寸:DN10
电源电压:DC24V(DC12V AC110V AC220V)
工作压力:3MPA(其他压力可协商定做)
介质种类:液氮、液氧、液化气,低温介质
介质温度:-200℃
控制方式:常闭(???/span>

五 数显远程液位计

六 液氮罐供液


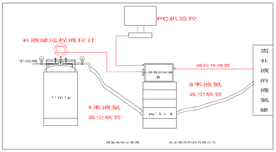
七 客户案例示意图
客户案例示意图一

客户案例示意图 二

客户案例示意图 三